Выключатель
Модератор: immortal
-
Максим Николаевич
- Сообщения: 44
- Зарегистрирован: Пт июн 24, 2016 3:32 pm
Выключатель
Вопрос покажется глупым и вроде бы уже не раз поднимался в различных форумах. Но все же хочется услышать один исчерпывающий ответ, а не собирать все по крупицам.
Итак. Имеется: сдвоенный выключатель люстры с 6 лампочками; выключатель работает на 4 и 2 лампочки.
Также в наличие модули esp8266 с прошивкой от https://wifi-iot.com/
Что хочется:
1. управлять включением выключением лампочек как с выключателя, так и по Wi-Fi через esp8266;
2. отслеживание состояния (вкл, выкл) в MajorDoMo
Теперь несколько вопрос:
1. как к выключателю прикрутить esp8266;
2. какие функции необходимо выбрать в конструкторе
Также хотелось бы все необходимые доработки спрятать либо в выключатель (подрозетник) либо в чашку люстры.
Итак. Имеется: сдвоенный выключатель люстры с 6 лампочками; выключатель работает на 4 и 2 лампочки.
Также в наличие модули esp8266 с прошивкой от https://wifi-iot.com/
Что хочется:
1. управлять включением выключением лампочек как с выключателя, так и по Wi-Fi через esp8266;
2. отслеживание состояния (вкл, выкл) в MajorDoMo
Теперь несколько вопрос:
1. как к выключателю прикрутить esp8266;
2. какие функции необходимо выбрать в конструкторе
Также хотелось бы все необходимые доработки спрятать либо в выключатель (подрозетник) либо в чашку люстры.
-
sega6549
- Сообщения: 535
- Зарегистрирован: Чт авг 20, 2015 11:32 am
- Откуда: Ярославль
- Контактная информация:
Re: Выключатель
незнаю видел или нет, вот видео как раз на эту тему, https://www.youtube.com/watch?v=E3ncswHvhFo только вместо кондера поставь лучше резистор на 10 кОм и не на землю как кнопка а на +3,3 вольта, вместо светодиода реле твердотельное я взял, и управляю люстрой, так можно и 2 канала сделать, все это дело у меня спрятано в люстре под цоколемМаксим Николаевич писал(а):Вопрос покажется глупым и вроде бы уже не раз поднимался в различных форумах. Но все же хочется услышать один исчерпывающий ответ, а не собирать все по крупицам.
Итак. Имеется: сдвоенный выключатель люстры с 6 лампочками; выключатель работает на 4 и 2 лампочки.
Также в наличие модули esp8266 с прошивкой от https://wifi-iot.com/
Что хочется:
1. управлять включением выключением лампочек как с выключателя, так и по Wi-Fi через esp8266;
2. отслеживание состояния (вкл, выкл) в MajorDoMo
Теперь несколько вопрос:
1. как к выключателю прикрутить esp8266;
2. какие функции необходимо выбрать в конструкторе
Также хотелось бы все необходимые доработки спрятать либо в выключатель (подрозетник) либо в чашку люстры.
Re: Выключатель
Безграмотное видео. Последовательно с выключателем надо ставить резистор, хотя бы 100 Ом.
-
Максим Николаевич
- Сообщения: 44
- Зарегистрирован: Пт июн 24, 2016 3:32 pm
Re: Выключатель
За видео огромное спасибо. Но все же ничего не ясно.
Вот обычный выключатель в обычной квартире: Куда подключить esp8266? Куда поставить реле? Как сделать параллельное управление светом (через физический выключатель и через MajorDoMo)? Огромная просьба не пинать. И если можно с примерами?
Вот обычный выключатель в обычной квартире: Куда подключить esp8266? Куда поставить реле? Как сделать параллельное управление светом (через физический выключатель и через MajorDoMo)? Огромная просьба не пинать. И если можно с примерами?
MajorDoMo живет на Xpenology DSM 6.2.3-25426 Update 2
Virtual Machine Manager
Debian 10
- nick7zmail
- Сообщения: 7573
- Зарегистрирован: Пн окт 28, 2013 8:14 am
- Откуда: Екатеринбург
Re: Выключатель
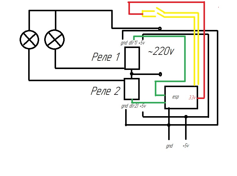
Накидал схемку в паинте)) Сори за мои корявые ручки...и про цветовую кодировку только в конце догадался))...так вот....В идеале бы подключить вот так. (желтые/зеленые провода - к цифровым пинам esp)Максим Николаевич писал(а): Куда подключить esp8266? Куда поставить реле? Как сделать параллельное управление светом (через физический выключатель и через MajorDoMo)? Огромная просьба не пинать. И если можно с примерами?
При таком подключении можно будет контролировать включение/выключение с сервера вне зависимости от положения выключателей, и наоборот - включать/выключать вне зависимости от того, что было выставлено на сервере - на сервере будут всегда актуальные состояния выключателей. Естественно нужен минимальный обвес резисторами esp, подтягивающие резисторы на цифровые входы, и как минимум оптопары на выключатели - для более стабильной работы, как мне рекомендовали в теме про ESP.
По программной части - это уже наверное к Максиму...
По идее нужно запустить цикл проверки состояния выключателей - и при переключении с сервера - менять действительное значение, а при включении с выключателей - сравнивать текущее с действительным, и при необходимости переключать реле, затем приравнивать действительное значение к текущему. Возможно предложение немного невнятное, в Arduino коде легко могу показать как это выглядит. В HomesSmart - честно - не знаю.
Raspberry Pi3+Broadlink+esp8266 (blynk)+AMS
Если вам помогло какое-либо сообщение - не забывайте пользоваться кнопкой "СПАСИБО".
Услуги в профиле коннект
>>>>>Мой новый канал на ютутбе, подписывайтесь!<<<<<
Если вам помогло какое-либо сообщение - не забывайте пользоваться кнопкой "СПАСИБО".
>>>>>Мой новый канал на ютутбе, подписывайтесь!<<<<<
-
Максим Николаевич
- Сообщения: 44
- Зарегистрирован: Пт июн 24, 2016 3:32 pm
Re: Выключатель
Спасибо огромное за подробную схему. Теперь все встало на свои места.
Только вот как это все встроить в реальные условия? Видимо расковыривать весь выключатель, ставить боооольшую монтажную коробку и тогда будет всем счастье. А еще видимо выключатели надо менять на возвратные. Или все же нет?
Только вот как это все встроить в реальные условия? Видимо расковыривать весь выключатель, ставить боооольшую монтажную коробку и тогда будет всем счастье. А еще видимо выключатели надо менять на возвратные. Или все же нет?
MajorDoMo живет на Xpenology DSM 6.2.3-25426 Update 2
Virtual Machine Manager
Debian 10
- nick7zmail
- Сообщения: 7573
- Зарегистрирован: Пн окт 28, 2013 8:14 am
- Откуда: Екатеринбург
Re: Выключатель
Данную схему как раз расчитывал на обычные (не возвратные) выключатели. Если быть точным - то вот на такие как тут. Все условия включения/выключения пишутся в прошивке (пример ардуино кода приведен там же). А 2релюшки + есп вполне влезут в стандартную коробку. С выключателя можно снять керамическую (и другие изолирующие) части, т.к. Там останется только слаботочная цепь. 220 будет только на реле.
Можно перенести реле в люстру, но тогда туда нужно будет тащить управляющие провода (не силовые) с выключателя, а разрыв фазы в коробке выключателя просто замкнуть, чтобы до люстры доходило 220.
Отправлено с моего Xperia Z через Tapatalk
Можно перенести реле в люстру, но тогда туда нужно будет тащить управляющие провода (не силовые) с выключателя, а разрыв фазы в коробке выключателя просто замкнуть, чтобы до люстры доходило 220.
Отправлено с моего Xperia Z через Tapatalk
Raspberry Pi3+Broadlink+esp8266 (blynk)+AMS
Если вам помогло какое-либо сообщение - не забывайте пользоваться кнопкой "СПАСИБО".
Услуги в профиле коннект
>>>>>Мой новый канал на ютутбе, подписывайтесь!<<<<<
Если вам помогло какое-либо сообщение - не забывайте пользоваться кнопкой "СПАСИБО".
>>>>>Мой новый канал на ютутбе, подписывайтесь!<<<<<
-
Максим Николаевич
- Сообщения: 44
- Зарегистрирован: Пт июн 24, 2016 3:32 pm
Re: Выключатель
Спасибо. Будем пробовать. Релюшки уже заказал, а остальное все есть. Правда реализовывать буду с прошивкой от Максима, но там вроде ничего хитрого.
Отправлено депешей с гонцом по имени Тапаталк.
Отправлено депешей с гонцом по имени Тапаталк.
MajorDoMo живет на Xpenology DSM 6.2.3-25426 Update 2
Virtual Machine Manager
Debian 10
- nightwind
- Сообщения: 332
- Зарегистрирован: Вс июн 26, 2016 4:42 pm
- Откуда: Барановичи
- Контактная информация:
Re: Выключатель
только где вязть питание для есп? там только фазный провод и два на лампочки
- nick7zmail
- Сообщения: 7573
- Зарегистрирован: Пн окт 28, 2013 8:14 am
- Откуда: Екатеринбург
Re: Выключатель
А вот это уже хороший вопрос...всегда вызывает проблемы. Сам еще не определился с идеальным вариантом... во всех есть минусы. Из вариантов могу предложить:nightwind писал(а):только где вязть питание для есп? там только фазный провод и два на лампочки
- батарейку (тут очень внимательно с прошивкой, чтобы много не потребляла...при должной настройке 2х пальчиковых на пару лет должно хватить)
- электронный трансформатор прямо в нише выключателя (тут без расширения ниши не обойтись...на алиэкспрессе их полно, фирма - hilink...заказывал себе такой для светодиодной ленты 220-12, на выходе уже постоянка)
- выносной блок питания (не сказал бы что будет этстэтично смотреться, но нишу переделывать не придется)
Отправлено с моего Xperia Z через Tapatalk
Raspberry Pi3+Broadlink+esp8266 (blynk)+AMS
Если вам помогло какое-либо сообщение - не забывайте пользоваться кнопкой "СПАСИБО".
Услуги в профиле коннект
>>>>>Мой новый канал на ютутбе, подписывайтесь!<<<<<
Если вам помогло какое-либо сообщение - не забывайте пользоваться кнопкой "СПАСИБО".
>>>>>Мой новый канал на ютутбе, подписывайтесь!<<<<<