Страница 2 из 2
Re: Китайские светодиодные светильники. Кто-нить подключался
Добавлено: Сб янв 06, 2018 5:49 pm
Дмитрий Иванов
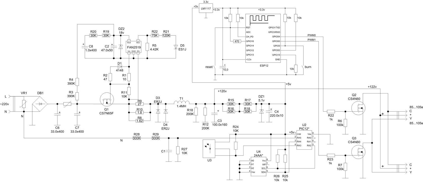
Ниже на схеме прикрутил ESP-12. Так нормально будет?

- Feron Diamond33.gif (60.57 КБ) 1847 просмотров
Первый тест с отдельным блоком питания для ESP:

- F D1.jpg (505.2 КБ) 1839 просмотров
Яркость регулируется только до середины (от нуля), на большее, видимо, не хватает выходных уровней с ESP (3.3В). Частота ШИМа в 500Гц, в принципе, терпима, хотя родные 2,5КГц по восприятию, вроде казались лучше...
Начало положено! Теперь буду искать решение, как поднять уровни ШИМ...
Re: Китайские светодиодные светильники. Кто-нить подключался
Добавлено: Вс янв 07, 2018 5:18 pm
Дмитрий Иванов
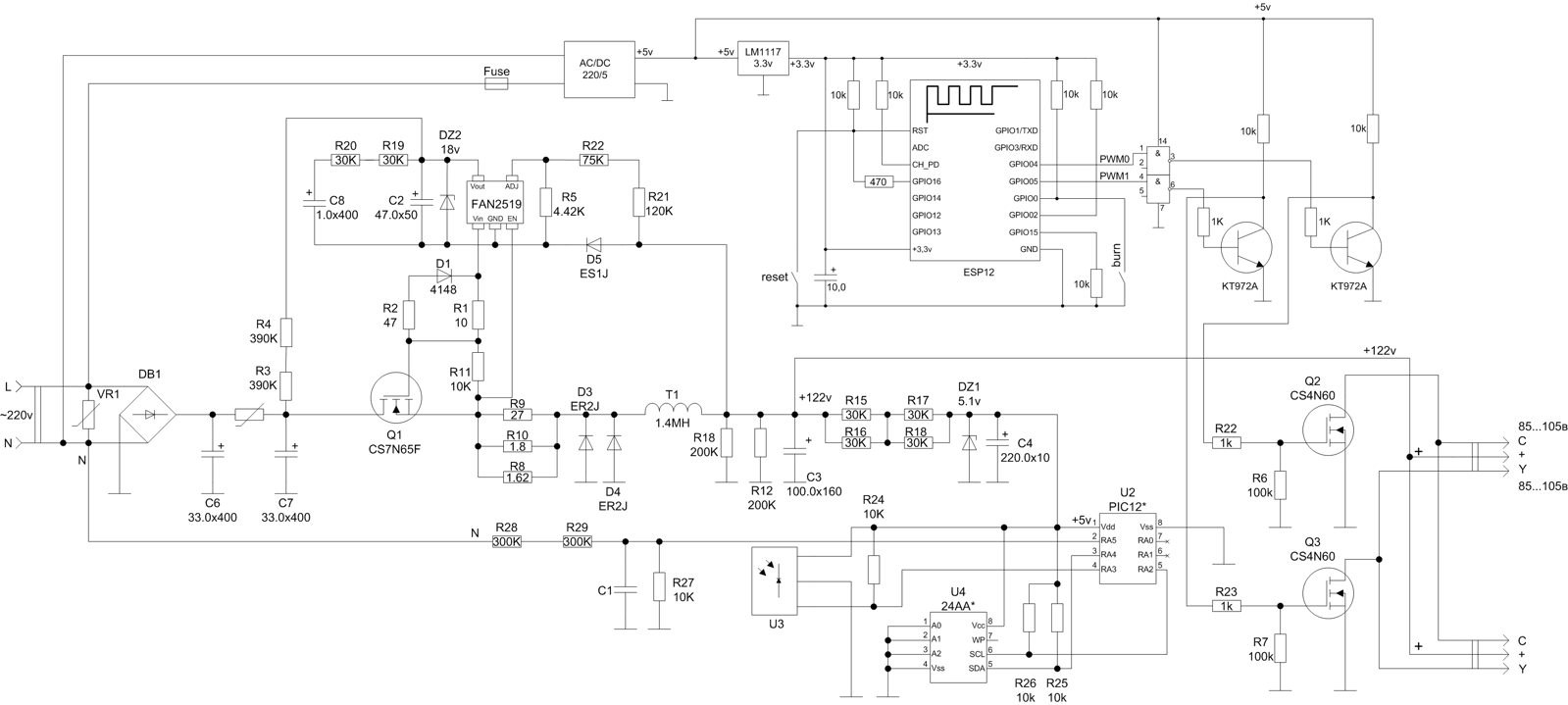
Получил пока промежуточный, но уже работающий, вариант:

- Feron Diamond_Final2.gif (67.4 КБ) 1826 просмотров
Каскад на транзисторе с общим эмиттером. Сделал из того, что было под рукой. Естественно получил инвертирование сигнала, но самое главное, что желаемый результат был достигнут. ESP8266 управляет яркостью полноценно во всем диапазоне.
Позже извлек из запасов 155ЛА3, включил из нее 2 элемента сразу на выходе ШИМ с ESP и все встало на свои места (Сигналы инвертировались обратно).

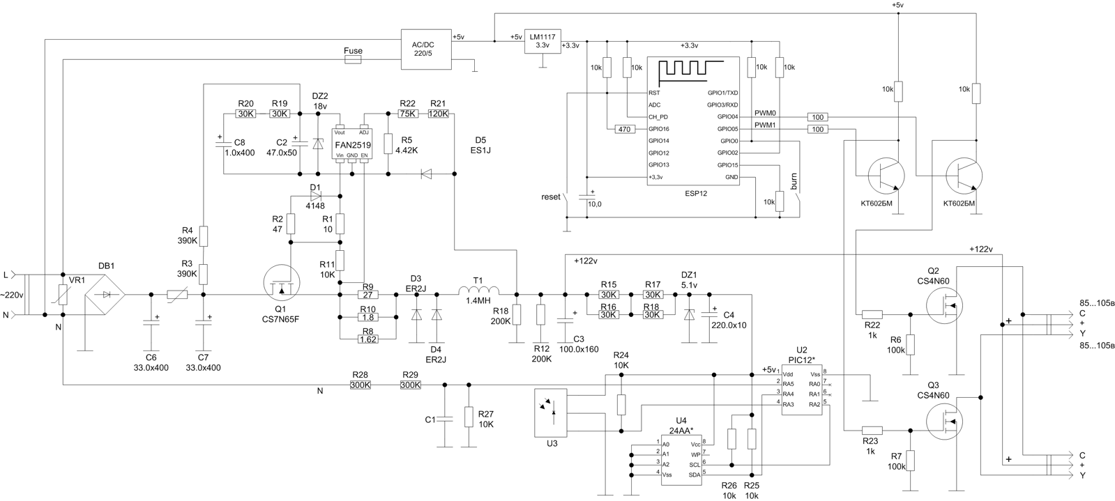
- Feron Diamond_Final33.gif (68.34 КБ) 1805 просмотров
Теперь про частоту ШИМ. В оригинале у этого светильника частота ШИМ была 2,5КГц, на камеру ни каких мерцаний и полос видно не было. Сейчас же, при частоте ШИМа в 500Гц глаз мерцаний не замечает, но через камеру телефона полосы отчетливо видны. Как я не хотел вешать ШИМ с ESP прямо на затворы мосфетов, но другого выхода пока нет. Надо искать вариант подключения внешнего аппаратного сигнала ШИМ.
https://youtu.be/BOTSvYkr2Gk
Еще пара фоток:

- Feron_PWM.jpg (41.32 КБ) 1805 просмотров

- Коте1.jpg (817.27 КБ) 1805 просмотров